AtomInfo.Ru


Козлодуй - плазменное сжигание

AtomInfo.Ru, ОПУБЛИКОВАНО 16.06.2018

В Варне с 6 по 8 июня 2018 года прошёл традиционный международный атомный форум "Булатом", посвящённый текущему состоянию и перспективам атомной энергетики Болгарии.

Один из докладов, с которым выступил представитель болгарской компании ДП РАО Георги Патеров, был посвящён применению технологии плазменной переработки твёрдых РАО, образующихся при выводе из эксплуатации блоков №№1/4 АЭС "Козлодуй".

Георги Патеров, фото AtomInfo.Ru

Установка СПИ

Полное название установки - сооружение для переработки и кондиционирования твёрдых РАО с большим коэффициентом сокращения объёма. Краткое название - сооружение плазменного сжигания (по-болгарски - СПИ).

Разработчиком проекта СПИ выступил консорциум в составе "Iberdrola" и "BELGOPROCESS" и большой группы субподрядчиков. Сооружение установки стартовало в 2015 году и продлилось два года.

В период с 29 по 31 мая 2017 года прошли 72-часовые комплексные испытания с загрузкой нерадиоактивных отходов. А в конце мая - начале июня 2018 года состоялись горячие испытания с реальными РАО, в ходе которых менее чем за пять дней было переработано 6500 кг радиоактивных отходов.

СПИ была установлена в здании спецкорпуса-2 (СК-2) АЭС "Козлодуй". При этом единственное крупное изменение, которое пришлось сделать в здании - добавить кровельную конструкцию.

Для работы установки требуется 20 человек персонала.

Сегодняшний вид здания СК-2.
Щёлкните левой клавишей мыши для просмотра.

Назначение установки СПИ - переработка и кондиционирование низко- и среднеактивных короткоживущих твёрдых РАО. Такие отходы могут образовываться при эксплуатации станции, а также значительные их объёмы образуются при выводе энергоблоков.

На переработку в СПИ могут доставляться отходы непрессованные, то есть в том же виде, в каком они образуются (их хранят, как правило, в мешках). Могут также быть отходы прессованные (в бочках) и гиперпрессованные (предварительно сжатые на 910-тонном прессе).

Коэффициенты сокращения объёма на СПИ для этих отходов таковы:

      - 2 раза для гиперпрессованных;

      - 20 раз для прессованных;

      - до 81 раза для непрессованных.

Производительность установки СПИ - 65 кг/ч при работе 4000 часов в году. Таким образом, за год можно переработать более 250 тонн отходов.

Удельные активности перерабатываемых отходов - до 20 тысяч Бк/кг по альфа-излучению и до 517 тысяч Бк/кг по гамма-излучению.

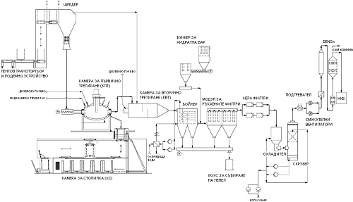
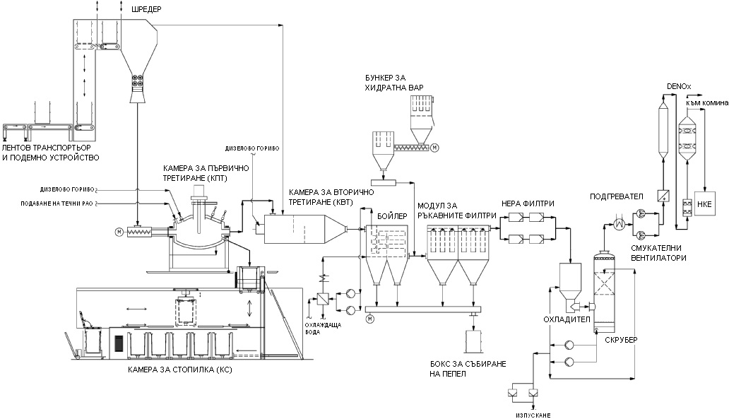
Схема технологического процесса установки СПИ.
Источник: презентация "Атомтоплопроект" на форуме "Булатом" 2013 года.
Щёлкните левой клавишей мыши для просмотра.

Оборудование СПИ

В установке СПИ используется высокотемпературная обработка РАО с помощью плазменной технологии (температура в дуге до 15000°C, в рабочей камере до 1500°C).

Это гарантирует, что конечный продукт будет выглядеть как стекловидная масса, свободная от органических материалов и пригодная для постоянного захоронения.

Остывший конечный продукт.
Щёлкните левой клавишей мыши для просмотра.

Ниже показана 3D-модель установки СПИ. Справа - система подачи РАО. Отходы поступают в двухступенчатый измельчитель, потом обрабатываются в печах и очищаются от газов, которые после химического и радиационного контроля сбрасываются в венттрубу.

Полученный расплав выдерживается примерно неделю в сборной камере, после отправляется во временное хранилище, откуда в будущем его вывезут на постоянное захоронение в национальном хранилище.

3D-модель установки СП.
Щёлкните левой клавишей мыши для просмотра.

В систему подачи РАО входят приёмный контейнер с весами, подъёмник, воздушный шлюз и двухступенчатый измельчитель с гидравлическим приводом (мощность двигателя - 75 кВт).

Щёлкните левой клавишей мыши для просмотра

После измельчителя отходы подаются в камеру первичной обработки. Её диаметр 2200 мм, высота 2800 мм. Максимальный объём расплава в камере - 200 литров, объём выливающегося расплава - 180 литров. Мощность плазменной горелки - 500 кВт.

Предварительный нагрев печи камеры осуществляется с помощью дизельной горелки, затем подключается плазменная горелка. Как уже сказано выше, температура в печи достигает в итоге 1500°C.

Камера первичной обработки.
Щёлкните левой клавишей мыши для просмотра

Полученный расплав направляется в сборную камеру, полностью механизированную и дистанционно управляемую. Перед обработкой очередной партии в камеру ставятся пустые ёмкости, на выходе получаются закрытые и готовые к транспортировке ёмкости с расплавом.

Сборная камера.
Щёлкните левой клавишей мыши для просмотра.

Проблемой газой в СПИ занимаются в камере вторичной обработки диаметром 1900 мм и длиной 7200 мм. Здесь с помощью дизельной горелки при температуре 900°C производится полное сжигание остатков отходов.

Далее газы охлаждаются до температуры 190°C, поступают на высокотемпературные рукавные фильтры из тефлона и на HEPA-фильтры (cтепень очистки - 99,5%). Далее газы поступают на скруббер и (после подогрева до 200°C) в DeNOx-систему для денитрификации каталитическим методом при помощи аммиака.

Конечный пункт маршрута газов - вентиляционная труба, через которую они выбрасываются в окружающую среду.

Камера вторичной обработки.
Щёлкните левой клавишей мыши для просмотра.

Система очистки газов.
Щёлкните левой клавишей мыши для просмотра.

Системы контроля и управления СПИ

Выбросы газов в реальном времени контролируются по ряду химических соединений и по пылевым частицам.

Осуществляется также радиационный мониторинг путём отбора проб. Фильтры заменяются через 24 часа и анализируются на α- и β-активность. Отдельно существует система радмониторинга помещения, в котором расположена установка СПИ. Естественно, контролируется и дозовая нагрузка на персонал.

Управление работой установки СПИ производится дистанционно. Имеются пять программируемых логических контроллеров (ПЛК) и две независимые рабочие станции. Управлять системой можно как из центрального зала, так и с помощью панелей, установленных на месте. Предусмотрены уставки по ряду параметров, при достижению которых система автоматически останавливает работы.

В системе электропитания предусмотрен аварийный дизель-генератор на случай отключения электроэнергии - он восстановит менее чем за 30 секунд питание всего оборудования, необходимого для перевода установки в безопасное состояние. В течение времени (30 секунд), необходимого для подключения дизель-генератора, питание обеспечивается с помощью бесперебойных источников питания.

Так как в системе СПИ при работе достигаются высокие температуры, то требуется отвод тепла, который осуществляется с помощью технической воды группы "А". Дополнительно имеются два бустерных насоса с расходом 120 м3/ч.

В установку входят также автономная система пожаротушения (в двух наиболее опасных зонах), системы подачи сжатого воздуха и азота, а также система подачи дизельного топлива для дизельных горелок (его запас достаточен для месяца работы установки).

Горячие испытания установки СПИ прошли успешно, и на ней можно приступать к переработке отходов, заявил в заключение Георги Патеров.

Щёлкните левой клавишей мыши для просмотра

Ключевые слова: РАО, Восточная Европа, Болгария, АЭС Козлодуй, Статьи


Другие новости:

Ленинградская АЭС: блок №1 ВВЭР-1200 впервые выведен на 100% мощности

Ключевое событие произошло в соответствии с графиком.

На энергоблоке №2 Нововоронежской АЭС-2 завершилась загрузка ИТВС

Операция была выполнена за шесть суток.

AREVA сдвинула сроки сдачи "Олкилуото-3"

Коммерческая эксплуатация - в сентябре 2019 года.

Герой дня

Вадим Лемехов: у нас есть задел

Вадим Лемехов: у нас есть задел

Могу сказать, что у БРЕСТ-1200 мощность сейчас составляет 1230 МВт(э). Обоснованность выбранной мощности требует подтверждения, но расчёты мы пока ведём для этого значения.



ИНТЕРВЬЮ

Станислав Георгиев

Станислав Георгиев
Все принявшие участие в конференции политики подтвердили - да, мы начинаем заново заниматься проектом "Белене", и наши намерения по отношению к этому проекту серьёзные.


МНЕНИЕ

AtomInfo.Ru

AtomInfo.Ru
Прежде всего, проект обрёл новое имя и более не скрывается за эвфемизмом "универсальный источник нейтронов". Отныне о данном проекте говорят как об исследовательском реакторе VTR (Versatile Test Reactor).


Поиск по сайту:


Rambler's Top100