AtomInfo.Ru


Первые парогенераторы поставлены на площадку PHWR-700

AtomInfo.Ru, ОПУБЛИКОВАНО 04.07.2015

Компания "L&T Heavy Engineering" поставила на строящиеся блоки №№3/4 АЭС "Какрапар" парогенераторы - первые произведённые в Индии парогенераторы для реакторной установки PHWR-700.

Первый парогенератор прибыл на площадку 16 июня 2015 года. Прибытие второго ожидается сегодня.

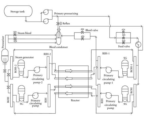
Реактор PHWR-700 - тяжёловодный реактор индийской разработки, использующий в качестве топлива природный уран. Тепловая мощность реактора - 2166 МВт(т), электрическая - 630 МВт(эл.). Рабочее тело второго контура - лёгкая вода.

Число парогенераторов на один блок - четыре. Тип парогенераторов - inverted U-tube type with integral drum.

В каждом из них установлено 2489 теплообменных трубок внешним диаметром 19 мм, выполненных из сплава "Incoloy 800" (сплав с высоким содержанием никеля и хрома) - трубки были изготовлены совместно компанией L&T и топливным заводом NFC в Хайдерабаде.

Схема первого контура PHWR-700

Ключевые слова: Парогенераторы, Азия, Индия, PHWR


Другие новости:

Китай ищет помощи у чехов для получения сертификата EUR для "Дракона"

Переговоры идут с Ржежем, Skoda Praha и CEZ.

АО "Аккую Нуклеар" получило предварительную лицензию на генерацию электроэнергии

В 2015 году предполагается получить разрешений на строительство.

Источник: Иран и "шестёрка" готовят соглашение из порядка 80 листов

Большая часть фрагментов уже готова.


Герой дня

Юрий Драгунов: наши подходы комплексные

Юрий Драгунов: наши подходы комплексные

Моё мнение, что специально тянуть блоки до какого-то назначенного срока не надо. Более того, так поступать просто нельзя. В каждой конкретной ситуации необходимо выполнять обоснования и доказывать, что уровень безопасности блока на данный момент времени как минимум не хуже, чем в начальном состоянии.



ИНТЕРВЬЮ

Вадим Беркович

Вадим Беркович
А мне, в свою очередь, приятно отвечать на те вопросы, которые задаёт болгарский надзор. Это грамотные люди, умеющие задавать грамотные технически вопросы, которые заставляют нас поломать голову над ответами. Добавлю, что от них поступают нелёгкие вопросы.


МНЕНИЕ

Smith

Smith
С одной стороны, она, безусловно, является одним из лидеров международного рынка, а с другой - её руководство в прошлом было замешано в громких скандалах, которые в итоге привели к решению о продаже акционерного капитала зарубежным организациям.


Поиск по сайту:


Rambler's Top100