AtomInfo.Ru


FBTR - как считали в 1973 году

Владимир Рычин, AtomInfo.Ru, ОПУБЛИКОВАНО 28.12.2014

Исследовательский реактор FBTR в Индии рассматривался как первый шаг на пути к созданию большой быстрой натриевой энергетики.

Его собирались построить уже в 1977 году. В сроки по разным причинам не уложились, заработал он только в 1985 году.

Быстрый натриевый аппарат для индийских расчётчиков стал настоящим вызовом, его физика сильно отличалась от привычных им тяжёловодников.

Как же его собирались рассчитывать? Об этом на научном симпозиуме в Бомбее в 1973 году рассказали Шанкар Сингх из центра, который сегодня называется IGCAR, и С.М.Ли из центра атомных исследований (BARC) имени Хоми Баба.

Расчётная модель

Реактор FBTR копировался индийцами с определёнными модификациями с французского "Rapsodie". Неудивительно, что индийские расчётчики предполагали активно использовать французские константы и программы.

Основные параметры FBTR по состоянию на 1973 год.
В дальнейшем часть параметров была значительно изменена.

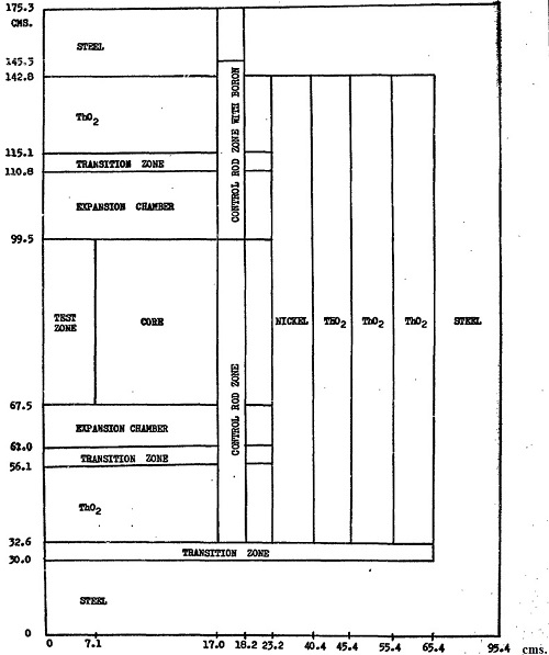
Компьютерная база в те далёкие времена была слабой. Поэтому, естественно, в расчётной модели различные регионы реактора гомогенизировались. Считать в hex-Z геометрии было практически невозможно, поэтому реактор представляли в виде цилиндра (R-Z геометрия).

В центре цилиндра выделялась зона с повышенной концентрацией стали - таким образом моделировались стальные сборки, которые планировалось поместить в центр активной зоны для облучения.

Отдельную проблему представлял собой учёт стержней СУЗ. Их предполагалось иметь шесть штук - материал карбид бора, обогащённый до 90% по 10B. В модели их размазали в кольцо на определённом расстоянии от центра зоны - обычный для тех лет приём.

Расчётная модель реактора FBTR (1973 год).
Щёлкните левой клавишей мыши для просмотра.

Константы

Ограниченность компьютерных мощностей определяла и выбор расчётных методов. Большая часть расчётов выполнялась диффузионными программами - то есть, решалось уравнение диффузии.

Подход был обоснован французским опытом - для "Rapsodie" диффузионных методов оказалось достаточно. Но, по крайней мере, в одном случае индийцы были вынуждены использовать детерминистский код с более высоким приближением, а именно, SN-метод - это потребовалось для расчётов энерговыделения вблизи границы зоны и отражателя. О Монте-Карло никто и не помышлял.

В качестве константной базы была выбрана французская 25-групповая библиотека из Кадараша (версия 1). В ней хранились микросечения при бесконечных разбавлениях и наборы факторов блокировки для некоторых изотопов при различных разбавлениях и температурах, а также данные для корректного определения упругих сечений перехода из группы в группу.

Одним из наиболее существенных ограничений французской библиотеки считалось сделанное при её подготовке допущение о том, что резонансы тяжёлых нуклидов не перекрываются друг с другом, что позволяло обосновать применение механизма сечения разбавления. Перекрытие резонансов в то время было сложной для расчётчиков проблемой; в СССР её пытались решить за счёт введения механизма подгрупп.

К библиотеке прилагалась служебная программа SETR-512. В её задачу входила подготовка наборов 25-групповых микросечений для конкретных изотопных композиций. В нашей стране аналогичную задачу решала программа АРАМАКО.

Пространственные расчёты

И вновь приходится начинать подглавку со слов об ограниченности компьютерных мощностей. Даже в диффузионной R-Z модели проводить расчёты в 25 группах не получалось.

Поисковые расчёты для концептуального проекта индийцы выполняли с помощью одномерной программы MUDE - сферическая, цилиндрическая или плоская геометрия, уравнение диффузии, 25 групп.

Расчёты по MUDE позволили индийцам определиться с выбором основных параметров реактора. У них было и другое применение - с использованием спектров из MUDE исходные наборы 25-групповых констант были свёрнуты в 12 групп программой PEPSY. И только после этого стало возможным приступать к двумерным расчётам в R-Z геометрии. Не зря в те годы считалось, что у каждого расчётчика есть своя кухня!

Для двумерного расчёта индийцы использовали программу ALCIALMI. Сейчас непросто восстановить историю этой программы, но есть предположение, что один из бомбейских докладчиков, С.М.Ли, был её автором. При типичных расчётах FBTR с 12 группами бралось от 4000 до 5000 расчётных точек, что на самом деле не очень много.

Опыт "Rapsodie" позволял индийцам предварительно оценивать возможные погрешности своих расчётов. Так, цилиндризация и гомогенизация модели должны были занизить kэфф примерно на 300 pcm.

Большую ошибку, как ожидалось, должны были внести используемые в библиотеке Кадараша данные по микросечениям никеля - вес рефлектора мог получиться завышенным на 3400 pcm.

Отдельная программа ALEX рассчитывала КВ и энерговыделение в подзонах реактора, используя плотности потоков, полученные в ALCIALMI. У границы зоны и на первых сантиметрах никелевого отражателя программа давала значительные ошибки, и там применялась SN-программа ETRANGE.

Ещё одна программа 557-S использовалась для расчётов по теории возмущений - с её помощью получали, например, время жизни мгновенных нейтронов и доли запаздывающих нейтронов для кинетических расчётов.

Выгорание

С необычной на современный взгляд проблемой индийцы столкнулись и при расчётах выгорания. Дело в том, что в библиотеке Кадараша отсутствовали микросечения целого ряда "второстепенных" изотопов, в том числе, протактиния-233.

Для индийцев этот изотоп был важен, потому что в проекте предусматривались ториевые экраны. Но поделать они ничего не смогли. Самостоятельно производить 25-групповые наборы микросечений индийцы не умели, и накоплением 233Pa пришлось пренебречь - его просто выкинули из цепочки между торием и ураном-233.

Из-за ограниченности компьютерных мощностей, предварительные расчёты выгорания выполнялись при постоянных значениях плотностей потоков нейтронов - то есть, не учитывалось, что абсолютные значения плотностей потока в ходе кампании меняются. Расчёты делались с помощью программы PASEV.

В предыдущей статье про FBTR мы задавались вопросом - готовились ли индийцы к возможному сокращению или полному разрыву международного сотрудничества после мирного атомного испытания? Можно считать, что Сингх и Ли дали ответ - да, готовились.

В FBTR в составе MOX-топлива по исходному проекту предполагалось использовать импортный обогащённый до 85% уран. Но уже на стадии концептуального проектирования индийцы в своих расчётах по PASEV рассмотрели возможность использовать в зоне наработанный в ториевых экранах 233U вместо 235U.

Расчётчики свой кусок работы сделать успели - написали программу BURNER и провели поисковые исследования.

Но атомное испытание случилось слишком рано, и партию ВОУ, которая потребовалась бы на первых порах для наработки нужного количества 233U, индийцы купить за рубежом не смогли. В 1974 году Индия подпала под первые атомные санкции и была вынуждена жить по-новому, что сказалось и на проекте FBTR.

Расчётная диаграмма для реактора FBTR (1973 год).
Щёлкните левой клавишей мыши для просмотра.

Ключевые слова: История, Быстрые натриевые реакторы, Индия, Статьи, Владимир Рычин


Другие новости:

Сектанты и члены больших семей не допускались в ядерные бункеры в Северной Ирландии

Рассекречены документы от 1983 года.

Ростов-3 подключён к энергосистеме России

Третий энергоблок Ростовской АЭС начал давать первые киловатт-часы в единую энергосистему страны.

Избыточная генерация от Ростовской АЭС может быть направлена на энергообеспечение Крыма

Одной из причин принятия решений о переносе сроков сооружения четвёртого энергоблока Ростовской атомной станции с 2019 на 2017 год стала необходимость создания избытка электроэнергии на юге России для последующего энергообеспечения Крыма.

Герой дня

Георгий Тошинский

Георгий Тошинский: новая линия реакторов должна приходить надолго

Восемь, но это не просто ГЦНы. Это насосы, интегрированные в единый блок с парогенераторами. На первый взгляд, конструкция интересная. Но есть и моменты, подлежащие обсуждению.



ИНТЕРВЬЮ

Денис Флори

Денис Флори
Задачу, с которой мы начали наш сегодняшний разговор. Приблизить, поднять наши наработки в области физической безопасности до того уровня, который мы достигли в области ядерной безопасности.


МНЕНИЕ

Владимир Рычин

Владимир Рычин
Знал ли Сринивасан, что вскоре произойдёт событие, в корне меняющее всю направленность индийской ядерной программы? Возможно, знал. И скорее всего, знал.


Поиск по сайту:


Rambler's Top100