Внереакторная система контроля энергораспределения и параметров РУ в системе управления и защиты реакторов типа ВВЭР

С любезного разрешения автора, мы публикуем текст статьи "Внереакторная система контроля энергораспределения и параметров РУ в системе управления и защиты реакторов типа ВВЭР".

Автор статьи - ведущий инженер ЗАО "СНИИП-Систематом" Иван Алексеевич СЕРГЕЕВ. Описанные в статье системы эксплуатируются, в частности, на Калининской АЭС, АЭС "Тяньвань" и АЭС "Богунице".

Введение

Традиционно защита реакторной установки от превышения заданных уровней мощности и скорости её изменения (периода) осуществляется по показаниям аппаратуры контроля нейтронного потока (АКНП).

АКНП вычисляет мощность реакторной установки (РУ), формирует сигналы аварийной и предупредительной защит по превышению величиной мощности и периода заданных пороговых значений (уставок) и передаёт их в систему управления и защиты РУ. АКНП получает сигналы, пропорциональные плотности нейтронного потока, от ионизационных камер (ИК), размещённых в каналах биологической защиты реактора.

В процессе наблюдения и анализа параметров работы РУ было выяснено, что существенное влияние на изменение нейтронного потока в каналах ИК, а соответственно и на величину нейтронной мощности, оказывают неравномерность энергораспределения по высоте активной зоны, температура теплоносителя в опускном участке реактора, положение групп органов регулирования и мощность реактора.

При проведении анализа работы реактора 5-го блока Нововоронежской АЭС было подтверждено, что от влияния этих факторов в динамике разница между тепловой и нейтронной мощностью реактора может достигать 17%. Для исключения этой погрешности осуществлена коррекция показаний мощности на коэффициенты, учитывающие влияние этих параметров.

Был также реализован алгоритм вычисления значений локальных параметров РУ - запаса до кризиса теплообмена и максимального линейного энерговыделения с возможностью формирования сигналов предупредительной защиты по превышению этими параметрами значений уставок.

В 2004-2005 г. на третьем блоке Калининской АЭС был внедрен первый серийный образец АКНП с функциями АКЭ-АЛЗ.

Назначение и основные функции аппаратуры

1. Аппаратура контроля энергораспределения

АКЭ используется для оперативного поканального контроля формы среднего аксиального энергораспределения, его основных характеристик (коэффициента неравномерности kz и аксиального офсета), мощности реактора и её азимутального распределения.

Вычисленные АКЭ значения используются для коррекции мощности, измеряемой АКНП, для формирования сигналов защиты по превышению допустимых значений локальных параметров, для оценочных расчётов характеристик аксиального энергораспределения.

Количество каналов АКЭ соответствует количеству каналов АКНП. В своей работе канал АКЭ использует сигналы детекторов рабочего диапазона соответствующего канала АКНП, значение температуры на входе в реактор ближайшей к каналу циркуляционной петли и положение групп органов регулирования.

Обработка информации в каждом канале производится по единому алгоритму, включающему в себя:

2. Аппаратура локальных защит

АЛЗ предназначена для формирования защитных сигналов для системы управления и защиты РУ, инициирующих процесс ограничения или снижения мощности. Сигналы формируются по двум параметрам:

  1. максимальное для активной зоны значения линейного энерговыделения;
  2. минимальное значение запаса до кризиса теплообмена (DNBR).

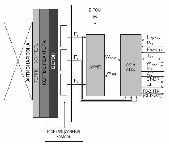
Структура канала АКНП с функциями АКЭ-АЛЗ представлена на Рис.1.

Рис.1. Структура канала АКНП с функциями АКЭ-АЛЗ.
Для просмотра в полный размер щёлкните левой клавишей мыши.

Основными факторами, влияющими на показания АКНП, являются аксиальное и радиальное энергораспределение, изменение распределения потока нейтронов в процессе выгорания топлива и температура слоя теплоносителя в опускном участке реактора, а так же форма бетона, разделяющего канал ИК и корпус реактора.

Положение детекторов и состав среды, в которой они расположены, также влияют на величину сигнала, однако они практически не меняются в процессе эксплуатации. Важно отметить, что в показания систем внереакторного контроля нейтронного потока наибольший вклад (≈97%) осуществляют ТВС ближайших к защите 3 слоев, т.н. "периферийные" ТВС.

Целью создания аппаратуры контроля энергораспределения является учёт вышеперечисленных факторов для повышения точности вычисления мощности АКНП.

При работе реакторной установки на мощности в рабочем поддиапазоне проводится автоматическая корректировка значений мощности Nакнп (где Nакнп = Kf×(Fв+Fн)/2), на коэффициент коррекции Ккорр, учитывающий форму энергораспределения по высоте АЗ, температуру теплоносителя, положение групп ОР и на мощность реактора.

Полученное в результате коррекции значение мощности Nкорр (Nкорр = Nакнп×Ккорр), является выходным значением мощности аппаратуры контроля нейтронного потока.

Разработана модель связи сигнала отдельно взятого детектора с энергораспределением в активной зоне. Зависимость включает в себя параметры, значения которых зависят от размещения детекторов в канале ИК и свойств защиты, разделяющей детектор и активную зону.

Кроме того, в модель включены поправки (коэффициенты), которые учитывают влияние на сигнал детектора температуры теплоносителя в опускном участке корпуса реактора, положения групп ОР (влияющего на форму радиального энергораспределения), форму азимутального энергораспределения и мощность реактора.

Точность определения этих коэффициентов оказывает существенное влияние на достоверность показаний АКЭ. Процессы их определения названы калибровкой и настройкой.

Калибровке предшествует оптимизация установки нейтронных детекторов в каналах. Эта операция проводится при первом пуске реактора и после замены детекторов.

Для реактора типа ВВЭР-1000 по высоте реактора установлены три детектора. Одно из важнейших требований при установке - детекторы размещаются так, что сигнал среднего детектора не зависит от офсета. Кроме того, сигналы детекторов, расположенных в одном канале, не должны отличаться между собой более, чем на 10% при нулевом значении офсета. Это достигается изменением коэффициентов нормирующих преобразователей.

В процессе основной калибровки определяются значения коэффициентов, используемых в канале АКЭ. Основная калибровка проводится в начале кампании. Кроме того, она обязательна после замены детекторов или изменения коэффициентов нормирующих преобразователей. Создаётся архив, содержащий параметры реакторной установки (регистрируемые системой внутриреакторного контроля (СВРК) и АКНП).

Затем файлы архива передаются на персональный компьютер, на котором установлено программное обеспечение для расчёта калибровочных коэффициентов, после вычисления которых они записываются в процессорные модули АКЭ всех каналов.

Кроме калибровочных коэффициентов, в постоянных запоминающих устройствах каналов АКЭ записаны в табличной форме зависимости коэффициентов используемых в расчётных формулах от внешних параметров (например, зависимость аксиального энерговыделения от температуры на входе циркуляционных петель в реактор, или от положения групп органов регулирования).

Для обработки данных в канале АКЭ используется следующий алгоритм:

Результаты работы АКЭ-АЛЗ на третьем блоке Калининской АЭС

На третьем блоке Калининской АЭС на период освоения мощности было обеспечено ведение архивов АКЭ-АЛЗ для последующего сравнения с архивными данными СВРК. При оценке точности показаний АКНП мощность, вычисленная АКНП, сравнивалась со средневзвешенной мощностью реактора Nakz.

Во время освоения мощности проводилась оценка работы АКЭ-АЛЗ в следующих режимах работы блока:

Наибольший интерес представляют три режима работы РУ:

1. Работа реактора в стационарном режиме на уровне мощности 100% от номинальной мощности.

На Рис.2 приведены значения мощности АКНП без коррекции (Nакнп), корректированной мощности (Wcor) и средневзвешенной мощности реактора Nakz и положение рабочей группы органов регулирования (H10).

Рис.2. Изменение мощности в стационарном режиме работы реактора.
Для просмотра в полный размер щёлкните левой клавишей мыши.

На Рис.3 приведен график изменения аксиального офсета в аналогичный период времени.

Рис.3. Изменение аксиального офсета в стационарном режиме работы реактора.
Для просмотра в полный размер щёлкните левой клавишей мыши.

Из графиков видно, что с 5:30 до 8:00 происходил постепенный подъём рабочей группы с 78 до 91%, что привело к изменению аксиального офсета с -8 до -1 и к изменению некорректированной мощности на ≈2,5%. При этом корректированная мощность, учитывающая поправку на положение группы ОР, соответствует тепловой мощности с погрешностью не более 0,3%.

Далее происходило погружение группы - разница между некорректированной мощностью и тепловой сокращается.

Таким образом, видно, что во время работы реактора в стационарном режиме учёт положения рабочей группы органов регулирования при вычислении мощности АКНП позволяет максимально приблизить показания корректированной мощности АКНП к тепловой мощности.

2. Разгрузка реактора с 50% до 20% от номинальной мощности и последующий подъем мощности до 50%.

Разгрузка реактора инициировалась аппаратурой разгрузки и ограничения мощности (АРОМ) по значению корректированной мощности, принимаемой от АКНП, в отличие от ранних моделей АРОМ, которые вычисляли тепловую мощность с учётом перепада температур холодной и горячей ниток (Δt).

Было проведено испытание системы управления и защиты реактора при посадке стопорных клапанов. АРОМ должна была обеспечить разгрузку реактора до 20% от номинальной мощности. Производилось погружение рабочей (10-й) и 9-й групп ОР СУЗ (Рис.5). АКНП при разгрузке обеспечила точность показаний мощности для АРОМ с погрешностью, не превышающей 1% относительно Nakz.

При подъёме мощности наблюдалось отклонение некорректированных показаний АКНП от Nakz из-за значительного высотного перераспределения мощности на 2-2,5%, при этом показания корректированной мощности соответствовали Nakz с погрешностью не более 0,5% (Рис.4).

В связи с тем, что коррекция показаний АКНП применялась впервые, было принято решение искусственно ограничить коррекцию на уровне 6% (т.е. коррекция осуществляется между значениями 0,94×Nакнп≤Wcor≤1,06×Nакнп). Вследствие этого возникал недостаток величины коэффициента коррекции (см. Рис.4, график в интервале от 12:00 до 12:30).

Рис.4. Изменение мощности при посадке стопорных клапанов.
Для просмотра в полный размер щёлкните левой клавишей мыши.

Рис.5. Изменение положения органов регулирования при посадке стопорных клапанов.
Для просмотра в полный размер щёлкните левой клавишей мыши.

3. Разгрузка реактора с 75% до 37,5% от номинальной мощности.

Разгрузка инициировалась АРОМ при проведении испытания по одновременному отключению двух противолежащих главных циркуляционных насосных агрегатов (ГЦНА). АРОМ должна была обеспечить разгрузку реактора до 37,5% от номинальной мощности (Рис.6). При разгрузке производилось погружение 10-й и 9-й групп ОР СУЗ (Рис.7).

Рис.6. Изменение мощности при отключении 2-х ГЦНА.
Для просмотра в полный размер щёлкните левой клавишей мыши.

Из графика (Рис.6) видно, что после разгрузки разница в показаниях некорректированной мощности и мощности Nakz составляла 5,5%. При этом корректированная мощность АКНП отличалась от Nakz на 1,5%.

Рис.7. Изменение положения органов регулирования при отключении 2-х ГЦНА.
Для просмотра в полный размер щёлкните левой клавишей мыши.

На Рис.8 приведены результаты вычисления АКЭ значения аксиального офсета по сравнению с АО, вычисляемым системой внутриреакторного контроля. Из графика видно, что АОакэ отличается от АОсврк не более, чем на 7% за исключением режима, когда мощность реактора упала ниже 40%.

Рис.8. Изменение аксиального офсета при отключении 2-х ГЦНА.
Для просмотра в полный размер щёлкните левой клавишей мыши.

Для демонстрации работы АЛЗ также выбран режим одновременного отключения двух противолежащих ГЦНА со снижением мощности до 37,5%. В связи со снижением мощности и деформацией аксиального энергораспределения должно измениться значение максимального по активной зоне линейного энерговыделения, а так же произойти заметное снижение запаса до кризиса теплообмена.

Рис.9 отражает практические результаты расчета максимальных значений линейного энерговыделения (ql) в системе внутриреакторного контроля (СВРК) и в АЛЗ. Различия в значениях до отключения ГЦНА и характер их изменения (соответствие динамики изменения ql и мощности) говорят в пользу корректности вычисления ql аппаратурой локальных защит.

Рис.9. Изменение значения линейного энерговыделения при отключении 2-х ГЦНА.
Для просмотра в полный размер щёлкните левой клавишей мыши.

Рис.10 отражает полученные при испытании результаты вычисления запаса до кризиса теплообмена (DNBR) в СВРК и АЛЗ. Видно, что АЛЗ демонстрирует снижение значения DNBR из-за разности скоростей снижения мощности и расхода теплоносителя. В вычислениях СВРК этот эффект не учтён.

Постоянное значение DNBR, вычисляемое АЛЗ после переходного режима, объясняется тем, что в вычислительный модуль введено ограничение на вывод информации при превышении DNBR значения 9,99.

Рис.10. Изменение значения запаса до кризиса теплообмена при отключении 2-х ГЦНА.
Для просмотра в полный размер щёлкните левой клавишей мыши.

Заключение

Испытания современной модификации АКНП в процессе освоения мощности на третьем энергоблоке Калининской АЭС подтвердили качественное и надёжное выполнение следующих функций:

Контроль производится с высоким быстродействием (каждый рабочий цикл занимает менее 100 мс) и выгодно отличается своей безинерционностью от систем, выполняющих расчёты по данным системы внутриреакторного контроля и теплотехнических измерений.

ИСТОЧНИК: Иван Сергеев

ДАТА: 27.05.2009

Темы: КИПиА, АКНП, Россия, Статьи


Rambler's Top100